+86-0523-83274900
Acoplamento rosqueado de John Morris

Acoplamento rosqueado de John Morris

O acoplamento rosqueado de John Morris pertence à série John Morris Coupling, com uma extremidade com um Tópico interno ou externo e o outro fim tendo um Groove do acoplamento.
Este acoplamento é usado para Conecte mangueiras de incêndio e equipamentos de combate a incêndios (como bombas de incêndio, mangueiras de incêndio e hidrantes).

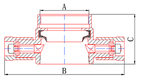
Dimensões Recursos

Item no.

DIN/MM

Dia

A/mm

B/mm

C/mm

Kyk

65/50

2,5 "/2"

G2 "

182

76

65

2,5 "

G2.5 "

182

76

* Materiais e processos de fabricação podem ser personalizados mediante solicitação.
* Outros requisitos (como pressão de trabalho, pressão de burst etc.) também podem ser personalizados conforme necessário.

Jiangsu Jinding Fire Protection Technology Co., Ltd.
A Jiangsu Jinding Fire Protection Technology Co., Ltd., localizada na zona de desenvolvimento econômico de Jiang Su Xinghua, foi fundada em 1998. É uma empresa industrial que integra design, desenvolvimento, produção e vendas. A Companhia aprovou a Certificação do Sistema de Qualidade ISO9001: 2015 e a certificação voluntária do produto, e os produtos relacionados obtiveram o relatório de inspeção do Centro de Supervisão e Inspeção da Qualidade Nacional de Equipamentos de Incêndio.
A nossa empresa fabrica principalmente diversas séries de produtos, incluindo acoplamentos de combate a incêndios, bicos de água, hidrantes, acoplamentos para tubos de grande diâmetro e acoplamentos para abastecimento de água em campos petrolíferos. Estes produtos são amplamente utilizados nas indústrias de proteção contra incêndios, petrolífera, química, militar e outras..
A empresa possui uma boa capacidade independente de P&D e possui um conjunto completo de processos de produção, como fabricação de moldes, processamento de produção e teste de produtos. Ao mesmo tempo, a empresa atribui importância aos requisitos dos clientes, compreende a dinâmica de mercado em tempo hábil, desenvolve e produz continuamente novos produtos e ganha a confiança e os elogios de clientes novos e antigos.
A empresa entrega fiável Acoplamento rosqueado de John Morris e serviços profissionais baseados no compromisso de qualidade e parcerias colaborativas, procurando construir relações cooperativas sustentáveis ​​com os clientes.
27+

27 anos de indústria Experiência de fabricação

Certificados
Notícias
Vamos conversar
Basta dizer olá e começaremos uma colaboração frutífera. Comece sua própria história de sucesso.
Precisa de equipamentos para o seu negócio?
Deixe nossa equipe fornecer soluções personalizadas.