+86-0523-83274900
Acoplamentos adaptadores storz - flangeado
Lar / Produto / Adaptadores / Acoplamentos adaptadores storz - flangeado

Acoplamentos adaptadores storz - flangeado

Os acoplamentos adaptadores são usados para conectar ou converter entre diferentes padrões e tipos de acessórios. Eles permitem que interfaces incompatíveis sejam conectadas uma à outra sem problemas.

Os acoplamentos adaptadores incluem, mas não estão limitados a: Alemão para Storz (homem/mulher), alemão, silvicultura, alemão a alemão, alemão, alemão para flange, alemão a vários dentes, storz masculino para fêmea storz, storz para silvicultura, etc.
Todos os tipos de acoplamentos adaptadores podem ser personalizados mediante solicitação.

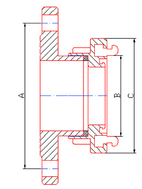
Dimensões Recursos

Item no.

DIN/MM

Dia

A/mm

B/mm

C/mm

/

80

3 "

160

89

126

Small100

4 "

180

115

156

Pequeno 100 (American Standard)

4 "

190.5

115

156

Big 100

4 "

180

133

182

Big 100 (American Standard)

4 "

190.5

133

182

150

6 "

240

160

215

150 (American Standard)

6 "

241.3

160

215

200

8 "

295

220

280

200 (American Standard)

8 "

298.5

220

280

250

10 "

355

278

339

250 (American Standard)

10 "

362

278

339

300

12 "

410

316

384

300 (American Standard)

12 "

431.8

316

384

350

14 "

470

366

448

350 (American Standard)

14 "

476.3

366

448

* Materiais e processos de fabricação podem ser personalizados mediante solicitação.
* Outros requisitos (como pressão de trabalho, pressão de burst etc.) também podem ser personalizados conforme necessário.

Jiangsu Jinding Fire Protection Technology Co., Ltd.
A Jiangsu Jinding Fire Protection Technology Co., Ltd., localizada na zona de desenvolvimento econômico de Jiang Su Xinghua, foi fundada em 1998. É uma empresa industrial que integra design, desenvolvimento, produção e vendas. A Companhia aprovou a Certificação do Sistema de Qualidade ISO9001: 2015 e a certificação voluntária do produto, e os produtos relacionados obtiveram o relatório de inspeção do Centro de Supervisão e Inspeção da Qualidade Nacional de Equipamentos de Incêndio.
A nossa empresa fabrica principalmente diversas séries de produtos, incluindo acoplamentos de combate a incêndios, bicos de água, hidrantes, acoplamentos para tubos de grande diâmetro e acoplamentos para abastecimento de água em campos petrolíferos. Estes produtos são amplamente utilizados nas indústrias de proteção contra incêndios, petrolífera, química, militar e outras..
A empresa possui uma boa capacidade independente de P&D e possui um conjunto completo de processos de produção, como fabricação de moldes, processamento de produção e teste de produtos. Ao mesmo tempo, a empresa atribui importância aos requisitos dos clientes, compreende a dinâmica de mercado em tempo hábil, desenvolve e produz continuamente novos produtos e ganha a confiança e os elogios de clientes novos e antigos.
A empresa entrega fiável Acoplamentos adaptadores storz - flangeado e serviços profissionais baseados no compromisso de qualidade e parcerias colaborativas, procurando construir relações cooperativas sustentáveis ​​com os clientes.
27+

27 anos de indústria Experiência de fabricação

Certificados
Notícias
Vamos conversar
Basta dizer olá e começaremos uma colaboração frutífera. Comece sua própria história de sucesso.
Precisa de equipamentos para o seu negócio?
Deixe nossa equipe fornecer soluções personalizadas.